Aggiornato al 4 Marzo 1999 Hardware SuperVozelj

Introduzione

Il SuperVozelj e` un hardware per la gestione di un nodo packet molto versatile e compatto; infatti consente di avere diverse configurazioni in termini di canali e memoria disponibile, e consente altresi` di evitare l'installazione di alcuni componenti, contenendo cosi` i costi.
E' composto da 3 schede che vengono montate orizzontalmente e poste insieme ai modem in una unica scatola in alluminio dalle dimensioni di circa 300x200x80 mm; e` gia` disponibile il contenitore in alluminio preforato e predisposto per contenere l'intero SuperVozelj e 5 modem, utilizzando quelli compatti disegnati da IW3GRW.
Una foto del nodo completo di 5 modem e` visibile cliccando qui!

Le possibilita` del nodo sono strettamente correlate all'hardware installato; nella configurazione minima, che prevede l'utilizzo della sola scheda mainboard , e` possibile avere fino a 6 canali FULL DUPLEX a bassa velocita`, ciascuno dei quali settabili nel software come canali radio, kiss o rmnc-kiss (con checksum), da 300 a 76800bps.
Installando meno di 3 SCC potranno essere gestiti solo 4 o 2 canali , settabili come sopra.
Installando invece anche la scheda DMA, oltre ai 6 canali a bassa velocita` sara` possibile avere altri due canali HALF-DUPLEX ad alta velocita`, la quale e` determinata in modo hardware dalla frequenza di clock che gli appositi modem forniranno alla SCC presente nella dmaboard.

Per quanto concerne la ram disponibile, nella mainboard sono gia` presenti 256Kb che risultano sufficienti per la gestione di un nodo che consente la connessione di 50 utenti.
E' possibile aggiungere la scheda ram in modo da installare altra memoria a banchi da 256Kb, fino ad un massimo di 1280 Kb.


MainBoard

Schema elettrico [part 1/3] --- Schema elettrico [part 2/3] --- Schema elettrico [part 3/3] --- Disposizione componenti --- Foto reale della scheda montata --- Lista componenti
La Mainboard e` l'unica scheda indispensabile; contiene l'alimentatore switching, il circuito di reset e ram backup, il microprocessore a 32bit 68010, 256Kb di ram statica, 3 SCC Z8530 per la gestione di 6 canali, il Real Time Clock uPD4990, due porte I/O a 8 bit (per nuove implementazioni, come il digitalizzatore per telecamera) , ed un circuito di watchdog per evitare che il nodo si blocchi.

Lo switching consente di abbassare la tensione fornita al nodo, che deve essere compresa fra 12 e 14 Volt DC , a circa 5 Volt per l'alimentazione di tutta la parte logica e dei modem.
Sono presenti alcuni diodi zener, fusibili e induttanze antidisturbo per evitare la generazione di disturbi e rumore, e per preservare il piu` possibile l'integrita` del nodo nel caso di sovratensioni causate da fulmini e scariche elettrostatiche in genere.
Il circuito di reset serve ad arrestare il sistema quando la tensione di alimentazione scende sotto i 10 Volt , e disabilitare in questo caso le RAM per preservarne il contenuto.
Il circuito di RAM backup e` formato da un supercap da 0.1 o 0.22 Farad , che consente di mantenere il contenuto della RAM e di far funzionare il Real Time Clock per almeno una settimana.

Per quanto riguarda il microprocessore, e' preferibile utilizzarne uno da 10 MHz anziche` 8 , siglato 68010L10 , unitamente ad un clock di 11-12 Mhz .

Le due RAM statiche, siglate solitamente 551001, sono indispensabili e contengono il software in esecuzione, i testi di informazioni, le liste di autorouting, ed eventualmente i buffer AX.25 .
Nel caso sia utilizzata anche la RamBoard, i buffer AX.25 saranno allocati in quest'ultima.

Ciascuna SCC (Serial Communication Controller) gestisce 2 canali, cosicche` installando una sola SCC sara` possibile avere soltanto due canali, installandone 2 avremo 4 canali, e cosi` via; in ogni caso si possono installare meno di 3 SCC, risparmiando in denaro, senza che sia richiesta alcuna modifica al software, in quanto il SuperVozelj gestisce le SCC in modo trasparente.
E' consigliato l'uso di SCC CMOS (siglate Z85C30nn in cui nn indica il clock in MHz) in quanto presentano un ridottissimo consumo; si possono comunque utilizzare anche SCC normali, le quali consumano pero` piu` di 100mA ciascuna.

L'integrato RTC uPD4990 funziona come Real Time Clock, ovvero gestisce un orologio dando la possibilita` al nodo di conoscere in ogni istante l'ora locale, che verra` utilizzata per la memorizzazione di statistiche (data e ora dell'ultima connessione di ciascun utente, eccetera); inoltre, quando verra` spento il nodo (ad esempio per manutenzione), il RTC continuera` ad aggiornare l'ora, in modo che non sia necessario risettare l'orario ogni volta che si spegne il nodo .
L'RTC uPD4990 non e` indispensabile per il funzionamento del SuperVozelj, e quindi e` possibile evitarne l'installazione.
Inoltre, l'integrato 8255 serve per la gestione di 3 porte di I/O , di cui una serve per l'interfaccia con il uPD4990, e le altre due risultano inutilizzate (eventualmente utilizzabili per il collegamento del digitalizzatore per telecamera CCD, oppure utilizzabili come telecomando collegato ad una scheda con dei RELE').
Si puo` quindi optare per la rimozione di questo integrato insieme al uPD4990, senza che sia pregiudicato il funzionamento del nodo.

Infine, il circuito di watchdog serve a far riavviare il nodo nel caso in cui una scorretta operazione del sysop ne abbia alterato il normale funzionamento; infatti il software del SuperVozelj non ha errori e non si blocca mai, pero` consente al sysop di modificare attraverso i comandi M,E,R il contenuto della memoria e di far ripartire il programma da un nuovo indirizzo.
Il cattivo uso di questi comandi puo` infatti portare a due conseguenze:
* Reset del microprocessore, con riavvio del software in eprom
* Esecuzione di un loop senza fine.
Per evitare quest'ultima situazione, si puo` testare le uscite RTS delle SCC per verificare l'attivita` radio (le uscite RTS servono per mandare in trasmissione i modem).
Il circuito watchdog andra` proprio a rilevare l'attivita` dei canali 2, 4 e 6 del SuperVozelj, ed in caso di mancata attivita` effettuera` il reset.

Nella MainBoard e` presente anche una eprom, che dovra` contenere il software del nodo; il jumper J10 servira` a selezionare il tipo di eprom, 27256 o 27512.

I connettori CN1-CN6 servono per la connessione dei modem ai canali 1-6 alle SCC; di norma il canale 1 si utilizza in KISS per il collegamento al PC (per BBS, CLUSTER, NOS, o per il sysop), in quanto e` stato implementato per questo canale un circuito di interfaccia RS232.
In questo caso non si dovra` collegare alcun modem al connettore CN1, mentre si dovra` collegare J7 ad un connettore DB25 per il collegamento al PC.

Il jumper J11 dovra` esser posto a sinistra nel caso in cui sia installata la scheda DMA.

Per il montaggio dei componenti, si consiglia innanzitutto di inserire gli zoccoli, poi gli strip di pettini maschi, i due connettore eurocard femmina, poi i componenti di taglia piu` piccola (resistenze, diodi, condensatori) e alla fine quelli piu` grandi (induttanze) .
Vi sono alcuni diodi BAT47, i quali sono sostituibili con altri diodi schottky o, nella peggiore delle ipotesi, con normali diodi 1n4148; in ogni caso non si dovra` inserire il diodo D1 (che nel layout e` sovrascritto da una croce).
Il Transistor BDX34 dovra` essere montato orizzontalmente dal lato rame dello stampato, in modo che possa poi essere fissato sulla scatola in alluminio per dissipare il calore, utilizzando in sequenza: vite M3x12mm , scatola alluminio, mica isolatrice, transistor BDX34, rondella isolatrice, rondella liscia, rondella dentata, dado M3. Si dovra` infatti assicurare al BDX34 una buona dissipazione di calore ed un isolamento del suo corpo dalla scatola (attraverso la mica e la rondella isolatrice); e' inoltre consigliato inserire un po' di grasso al silicone fra scatola e mica, e fra mica e transistor per favorire la conduzione termica.

Prima di inserire tutti gli integrati, bisogna collaudare l'alimentatore switching in modo che fornisca in uscita 5.1 volt: questa operazione si deve quindi compiere senza che siano montati i circuiti integrati, che potrebbero danneggiarsi nel caso in cui l'alimentatore fornisca tensioni troppo elevate.
Bisognera` quindi agire sulla resistenza R32 affinche` la tensione VCC (misurabile ad esempio ai capi dei condensatori di filtro da 47nF) risulti di 5.1 Volt; abbassando la resistenza aumentera` la tensione in uscita, e viceversa.
In genere R32 deve avere un valore di 330 Ohm, e la tensione in uscita non varia molto in funzione del valore della resistenza; se la tensione fornita e` molto diversa dal valore di 5 Volt, sicuramente ci sara` quache componente errato nello stadio alimentatore; prestare attenzione allo zener da 4.7 volt che non deve avere una potenza dissipabile superiore a 1/2 watt altrimenti la tensione in uscita risultera` comunque inferiore ai 5 volt.

Le induttanze L1,L3,L4 devono essere formate da 10 spire di rame smaltato, sezione 1 mm, avvolte su un supporto cilindrico di ferrite antidisturbo dalle dimensioni di circa 6x20 mm ; invece, la induttanza L2 e` costituita da 20 spire di rame smaltato 1 mm avvolte su nucleo toroidale : attenzione a non usare nuclei eccessivamente alti, altrimenti poi sara` difficile l'installazione dell'eventuale scheda DMA sopra di esso.

Per quanto riguarda il collegamento dell'alimentazione, sul retro della scatola sono previsti due fori allineati verticalmente: in quello sopra dovra` essere fissato il portafusibile, mentre in quello sotto un connettore a 3 poli.
Il pin centrale di questo connettore dovra` essere collegato alla massa della Mainboard, attraverso il connettore siglato 12V ; gli altri due pin dovranno invece essere collegati ad un capo del portafusibile, e l'altro capo del portafusibile dovra` essere collegato al piedino positivo del connettore 12V della Mainboard.
Il connettore SW1 della Mainboard, in cui e` indicato il simbolo dell'interruttore, dovra` essere poi collegato ad un interruttore posto sul frontale della scatola per l'accensione e spegnimento del nodo; a fianco all' interruttore si potra` inserire un diodo LED per indicare quando il nodo e` alimentato, ed il LED dovra` essere collegato attraverso due fili al connettore a 2 pin posto a destra di CN2 .

Infine, sara` necessario collegare il connettore siglato 12V.Aux , posto sul fondo della scheda a sinistra, alle prese DIN 5 poli che verranno poi collegate alle radio; infatti questo connettore fornira` una tensione di alimentazione di 13.8 Volt DC opportunamente filtrata dall'induttanza L4 e da 4 condensatori di filtro, e protetta dalle inversioni di polarita` e dalle sovratensioni attraverso il fusibile da 6.3 Ampere posto dentro il portafusibile montato sulla scatola, ed uno zener da 15-18 Volt.

I due circuiti integrati U10 e U27, siglati rispettivamente 74AC00 e 74AC04, possono essere anche sostituiti con dei 74HC00 e 74HC04, che pero` presentano una velocita` di commutazione inferiore.
Sara` inoltre indispensabile tarare alla perfezione l' oscillatore che genera il clock di 4.915200 MHz affinche` i modem G3RUH funzionino alla perfezione, collegando un frequenzimetro sul pin 10 di U27 (74AC04) e variando il compensatore C8 finche` la frequenza letta risulti esattamente di 4.915200 MHz; la stessa operazione dovra` essere fatta sui modem G3RUH installati!
Non prendendo in considerazione questo accorgimento, il modem G3RUH non sara` capace di sincronizzare i dati che il nodo gli trasmettera`, ovvero il modem funzionera` molto male in trasmissione.

Inoltre e` necessario che i modem G3RUH che non vengono utilizzati in fullduplex vengano predisposti affinche` il segnale RXD venga annullato mentre il modem e` in trasmissione; questa modifica e` gia` stata implementata nei modem G3RUH progettati da IW3GRW.
Per i modem G3RUH che non prevedono l' annullamento del segnale RXD durante la trasmissione, la modifica e` molto semplice e consiste nell'interporre una resistenza da 4k7 tra uscita RXD del modem e ingresso RXD del SuperVozelj, e di un diodo collegando il catodo all' RTS e l'anodo all' RXD del SuperVozelj.


RamBoard

Schema elettrico --- Disposizione componenti --- Lista componenti
La scheda RAM viene montata sopra la MainBoard, sulla parte destra, ed e` composta da 4 banchi da 256Kb di RAM STATICA, siglati BANK0-BANK3.
E' possibile occupare parzialmente i banchi di RAM, a partire dal BANK0, inserendo due integrati 551001 per ogni banco; ad esempio se si vuole installare 512Kb sulla scheda RAM, si dovra` riempire BANK0 e BANK1 con i 551001 corrispondenti alle posizioni U1 U5 U2 U6 .

In genere non e` richiesta molta memoria per le funzionalita` del nodo; per nodi molto affollati (50 connessioni contemporanee ed anche piu') e` utile installare la scheda RAM per avere una lista Glej in grado di mantenere le informazioni di ogni singolo utente (per l'autorouting utente e datagram) per diversi giorni; il software e` configurato per avere una lista Glej di 56Kb in assenza di scheda RAM, e di 184Kb se e` installata la scheda RAM.
Inoltre, nel caso si monti sul nodo una telecamera CCD, con opportuna scheda digitalizzatrice, e` necessario avere la scheda RAM in quanto l'algoritmo di compressione JPEG richiede molta memoria.

Tutti gli altri integrati, della serie 74HC , sono indispensabili, mentre non e` necessario inserire il SUPERCAP di backup in quanto, utilizzando la scheda RAM solo per i buffer AX.25, non ci sara` la necessita` di mantenere inalterata la memoria nel caso si tolga la scheda RAM dal SuperVozelj per manutenzione.

Attenzione al connettore eurocard maschio, che deve essere installato sul lato rame della scheda, affinche` possa innestarsi sul connettore femmina di destra della mainboard!!
Se non si trovano i connettori maschi dritti, ma soltanto quelli a 90 gradi, bastera` raddrizzare i contatti con una pinza.

DmaBoard

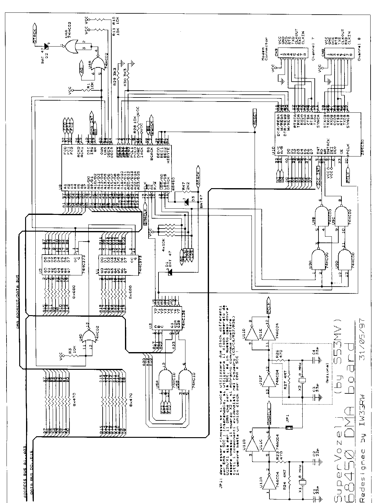
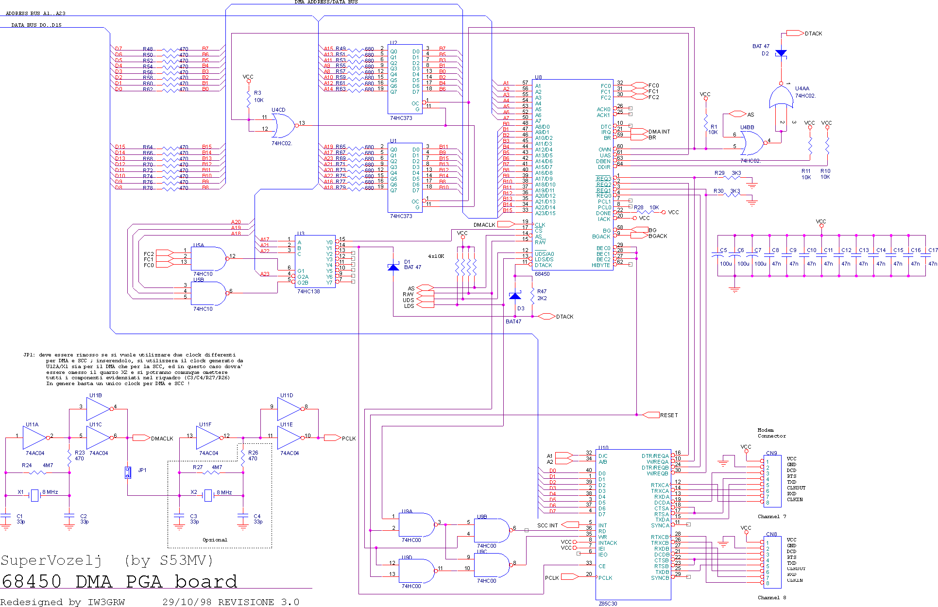
Prima versione con 68450 DIP:  Schema elettrico --- Disposizione componenti --- Lista componenti
Seconda versione con 68450 PGA:  Schema elettrico --- Disposizione componenti --- Lista componenti --- Master Solder --- Master Componenti
La scheda DMA e' opzionale, e serve solo nel caso in cui si vogliano avere altri due canali HALF-DUPLEX ad alta velocita` (in genere 1.2288 Mbps); in questo caso bisognera` inserire la scheda DMA nel connettore eurocard di sinistra del MidiSuperVozelj, montandola orizzontalmente come la scheda RAM.

Nella DmaBoard e` presente il DMA 68450, una SCC 85C30 da almeno 8 MHz di clock, e alcuni integrati della serie 74HC .
In particolare, e` preferibile utilizzare come integrato U11 un 74AC04 anziche` un 74HC04; infatti questo integrato serve per la generazione del clock per la SCC e per il DMA.
In genere basta un unico clock di 8-10 MHz sia per il DMA che per l'SCC, cosicche` si potra` NON montare i componenti R26,R27,C3,C4,X2 ed in questo caso si dovra` inserire il cavallotto nel jumper JP1.
Alternativamente si potra` usare un clock diversificato per la SCC (in genere bastano 8 MHz) e per il DMA (il cui clock deve essere compreso fra quello della SCC e quello della CPU della scheda madre, quindi compreso fra 8 e 11 MHz); in questo caso bisognera` rimuovere il cavallotto JP1.

I diodi BAT47 sono sostituibili con altri diodi schottky equivalenti (diodi per segnali).

Sui connettori CN7 e CN8 saranno quindi disponibili i segnali che dovranno essere collegati attraverso un flat ai rispettivi modem PSK di cui e` allegata la documentazione; in genere i modem PSK si montano nella stessa scatola del MidiSuperVozelj.
La velocita` dei canali DMA e` determinata dal clock CLKIN che il modem fornira` al DMA stesso, quindi sara` possibile avere velocita` anche diverse da quella in genere utilizzata, comunque comprese tra 300 bps e 2 Megabit/sec.

Scrambler/sincronizzatore PSK 1.2Mbps

Schema elettrico --- Disposizione componenti --- Lista componenti
Il modem PSK svolge principalmente le funzionalita` di sincronizzazione e generazione del clock di ricezione, e di scrambling per l'adattamento dello spettro del segnale dati alle richieste delle radio PSK (eliminazione della componente continua).

E' composto di tutti integrati facilmente reperibili (serie 74HC e 40), ed ha gli stessi fori di fissaggio e connettori utilizzati negli altri modem progettati da IW3GRW.
I connettori per il collegamento alla radio e al MidiSuperVozelj sono stati pero` sdoppiati: sullo strip esterno infatti sono presenti tutti segnali di massa che consentono in particolare di effettuare il collegamento dal CONNETTORE RTX alla radio PSK attraverso un cavetto coassiale da 75 Ohm; in questo modo sara` possibile installare la radio a diverse decine di metri di distanza dal modem.

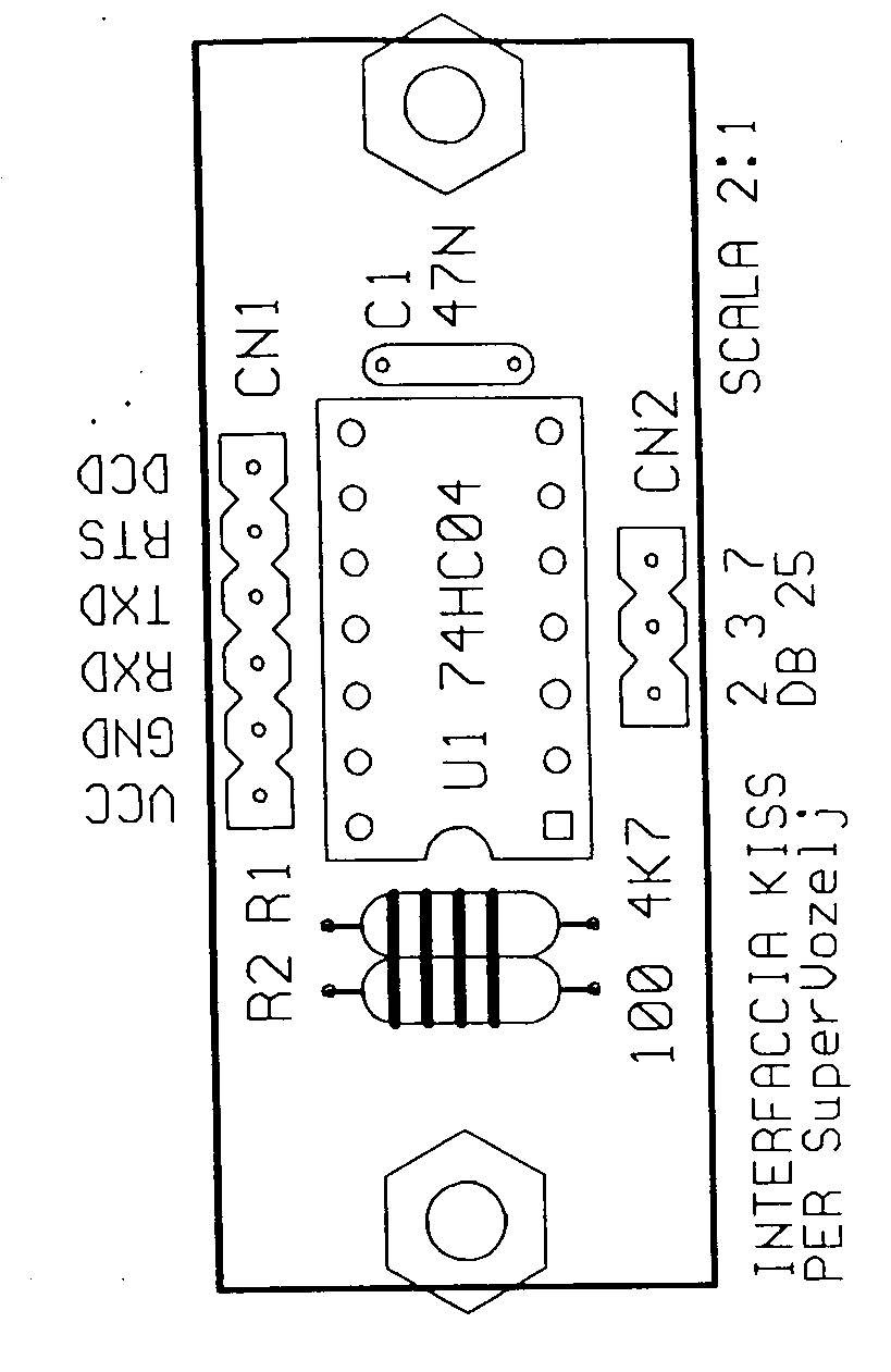
Interfaccia KISS opzionale

Schema elettrico --- Disposizione componenti --- Lista componenti
Il MidiSuperVozelj implementa gia` nella MainBoard una interfaccia KISS collegata al canale 1; si potra` quindi utilizzare il canale 1 per il collegamento ad un PC.
Nel caso sia necessario avere anche altri canali KISS o CRC-KISS, si potra` fare uso di questa semplice schedina che dovra` essere innestata nel connettore del canale voluto (CN2-CN6 della MainBoard); il connettore CN1 dovra` quindi essere un pettine femmina a 6 pin inserito nel lato rame.
Il connettore CN2 sara` invece un pettine maschio 3 pin saldato sul lato componenti, il quale verra` poi collegato alla seriale di un computer.

Adattatore 68010 PLCC -> DIP64

Disposizione componenti --- Lista componenti
Trattasi di un circuito stampato da inserire al posto del 68010 DIP64 nel caso in cui si voglia utilizzare un microprocessore in package chip carrier (PLCC) .
In questo caso bisognera' installare sulla scheda madre del SV due pettini femmina da 32 pin, anziche' lo zoccolo, cosicche' sopra potra' essere innestata la schedina adattatrice.

Scheda Telemetrica a 3 canali per SV

Schema elettrico --- Disposizione componenti --- Lista componenti

Il circuito della scheda TELEMETRICA per SuperVozelj, ha le stesse dimensioni di un modem progettato da IW3GRW, quindi si puo' applicare all' interno dello stesso contenitore del SV. Il circuito e' in grado di rilevare la tensione di alimentazione del sistema (13.8v), la temperatura interna del SV e la temperatura esterna alla postazione.

Il circuito e' composto da tutti componenti di facile reperibilita'.

Sul circuito stampato e' presente un connettore a 16 poli per la connessione della scheda all' 82c55 del SV (PA0...7, PB0...7), un connettore a 2 pin per fornire la tensione di alimentazione a 12 Volt, il connettore J3 per la sonda della temperatura KTY81 da posizionare all' esterno della postazione attraverso un normalissimo cavetto a due fili (meglio se schermato). Sono inoltre presenti altri due connettori che serviranno per il collegamento dell' eventuale scheda CCD/Telecomando da posizionare in una scatola esterna al SV; tale scheda consentira' di prelevare immagini da una telecamera esterna e di comandare eventuali uscite per il controllo della postazione.

Per la taratura, posizionare tutti i trimmer a meta' corsa e procurarsi due resistenze campione da 644 ohm e da 1260 ohm, o meglio con un multimetro digitale costruire queste due resistenze partendo da resistenze di vari valori collegandole in serie o parallelo.

Se si vuole tarare il canale della sonda estrna, togliere dallo stampato U4 e cortocircuitare i due ingressi di U4, collegare la resistenza da 644 ohm sull' ingresso J3, collegare un voltmetro tra' il punto B e massa, regolare il trimmer R22 finche' il voltmetro misurera' 0,00 Volt; togliere la resistenza da 644 ohm e collegare quella da 1260 ohm regolare il trimmer R38 fino a leggere una tensione di 5.00 Volt. Rimettere la resistenza da 644 ohm e ritarare il trimmer R22 per avere una lettura di 0.00 Volt. A questo punto togliere la resistenza e inserire la sonda della temperatura KTY81.

Ora si passera' a tarare l' altro canale della temperatura facendo le stesse operazioni del canale tarato precedentemente. Ora il voltmetro andra' collegato fra il punto A e massa, si colleghera' la resistenza da 644 ohm al posto di U4 e si tarera' il trimmer R23 fino a leggere sul voltmetro 0.00 volt, poi si sostiuira' la resistenza con quella da 1260 ohm e si tarera' il trimmer R36 fino a leggere 5.00 volt. Ricollegare la resistenza da 644 ohm e ritarare il trimmer R23 per avere ancora 0.00 volt. A questo punto gli amplificatori dei due canali della temperatura sono tarati.

Ora di dovra' collegare il Voltmetro sul punto C e ruotare il trimmer R24 fino a leggere 2.50 volt.

Infine il trimmer R6 andra' a tarare il canale della tensione di alimentazione, ma per fare cio' , sara' indispensabile installare il circuito sul SV e inserire i parametri di conversione nella lista E del SV. Per fare questo, collegarsi col nodo, essere abilitati come SYSOP ( comando K ) e inserire la seguente stringa:

E 64 0 180 Volt 73 700 Ci 73 700 Ce

Con questi parametri il range di acquisizione sara' 0-18 Volt e -20 +50 Gradi centigradi. Si potra' ora regolare il trimmer R6 finche con il comando E si leggera' la tensione di alimentazione del nodo.
Per collegare la schedina al SV, si dovra' usare un flat da 18 poli, dove i primi 16 serviranno per collegare i PORT A e B dell' 82c55, mentre gli altri due serviranno per portare la tensione di alimentazione dei 12 volt alla schedina telemetrica.

Per ulteriori informazioni, mandare un messaggio a iw3grw@iw3grx o un' E-Mail a iw3grw@gw.ir3ip.ampr.org

Montaggio


La MainBoard ha le dimensioni di circa 280x160mm, e viene fissata attraverso 6 viti M3x12mm sulla scatola, utilizzando un dado e due rannelle come distanziatori (bisogna fare in modo che la scatola sia a massa) .

Al centro della MainBoard vi sono due connettori eurocard, sui quali potranno essere installate le due schede opzionali: la RamBoard a destra e la DmaBoard a sinistra.
Notare che, affinche` le due schede opzionali siano poste orizzontalmente sopra la MainBoard, il connettore eurocard maschio dovra' essere montato sul lato rame delle due schede; in commercio si trovano piu' facilmente i connettori maschi a 90 gradi, ed in questo caso sara' necessario raddrizzare i piedini dei connettori.
Per fissare le schede RAM e DMA sopra la MainBoard, bisognera' utilizzare delle torrette distanziatrici maschio-femmina da 15 mm; altre 6 torrette dovranno essere fissate sopra la scheda RAM e DMA , cosicche' sopra di esse sara' possibile montare un piano in alluminio sul quale verranno poi fissati i modem; notare che utilizzando i modem di cui e' allegata la documentazione, vi sara' lo spazio per 5 di essi, rendendo quindi il nodo molto ordinato e modulare, consentendo una facile manutenzione.
Ciascun modem deve essere fissato sul piano in alluminio attraverso 4 viti MA3x12mm nello stesso modo in cui si fissa la MainBoard sulla scatola, ovvero sulla vite verra` inserito sequenzialmente il piano in alluminio, rondella liscia, rondella dentata, dado M3, circuito stampato modem, altro dado M3 per il fissaggio defitivo.
Ciascun modem dovra` essere collegato ad uno dei connettori CN1-CN6 della MainBoard, attraverso un cavetto flat a 6 poli lungo circa 10 cm con un connettore strip femmina a 6 pin in entrambi i lati; il modem dovra` inoltre essere collegato ad un connettore DIN 5 Poli a 180 gradi per il collegamento della radio, che dovra` essere fissato con il PIN 1 verso l'alto e il PIN 3 verso il basso; e' importante utilizzare un unico standard di collegamento dei modem ai connettori DIN 5 poli, in modo che i nodi risultino fra loro scambiabili, per cui lo standard proposto e` il seguente:

PIN 1  -  SPEACKER (RX MODULAZIONE)
PIN 4  -  GND
PIN 2  -  MIC (TX MODULAZIONE)
PIN 5  -  PTT
PIN 3  -  +12V (ALIMENTAZIONE RADIO)
Notare che attraverso il connettore DIN 5 Poli sara` possibile alimentare direttamente le radio a basso consumo (ad esempio palmari, rtx a larga banda, eccetera, ad esclusione dei veicolari).
Si dovra' utilizzare un filo nero da circa 1 mm quadrato di sezione per il collegamento del PIN 4 di tutti i DIN 5 Poli (massa) al connettore 12V.Aux della Mainboard, e un filo rosso della stessa sezione per collegare i PIN 3 (+12V) allo stesso connettore 12V.Aux ; a questo punto si potranno fare i cavetti per il collegamento dei connettori DIN 5 Poli ai modem, utilizzando del cavo flat a 5 poli saldato da un lato ai connettori DIN e dall'altro ad uno strip femmina a 5 poli che verra` in seguito innestato sul connettore radio del modem.